GILDEMEISTER NEF 600 CNC esztergaközpontot amelyet 2009-ben gyártottak Németországban, ideális mind a kis üzemek, mind a legintenzívebb sorozatgyártás számára. A nagy pontosságra és termelékenységre tervezett kompakt gép egy teljesen megvilágított munkaterületen belül, megbízható orsóval és 8 állású szerszámfejjel felszerelt, legfeljebb 1200 mm hosszú munkadarabokat dolgoz meg. A gép széleskörű felszereltségéhez tartozik többek között egy forgácsszállító és egy intuitív SIEMENS SINUMERIK 840D POWERLINE CNC-vezérlés is. A DMG GILDEMEISTER NEF 600 CNC eszterga forgácsszállító nélkül 5000 kg súlyú.
A GILDEMEISTER NEF 600 eszterga műszaki adatai
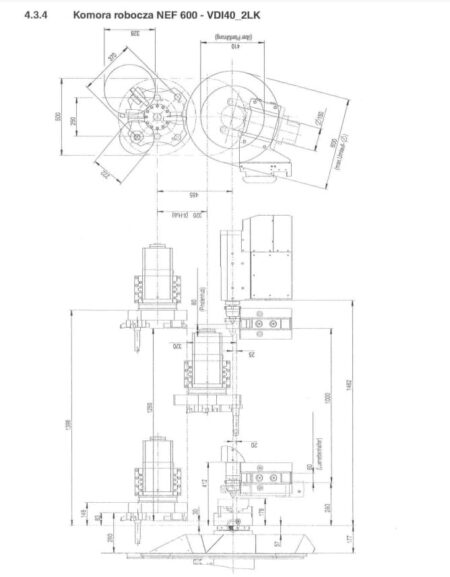
- maximális esztergálási hossz: 1200 mm
- esztergálási átmérő az ágy felett: 600 mm
- esztergálási átmérő a keresztcsúszó felett: 410 mm
- előtolási sebességek az X/Z tengelyen: 320/1250 mm
- a keresztcsúszda előtolási sebessége az X/Z tengelyen: 320/1250 mm
- előtolási erő az X/Z tengelyen: 7/12 kN
- gyorsmeneti haladási sebesség: 15 m/perc
- maximális orsófordulatszám: 3000 rpm
- orsó furata: 90 mm
- orsó tokmány: 250 mm
- gördülő orsó: 40×6 mm
- orsó meghajtási teljesítmény (40/100% ED): 24/18 kW
- maximális orsónyomaték (100% ED): 720/560 Nm
- szerszámpozíciók száma közvetlen rögzítéssel: 8
- szár keresztmetszete: 25×25 mm
- szerszámtárcsa kulcsméret: 304 mm
- fúrórudak indexelési átmérője: 32 mm
- a farokcsapszeg átmérője: 80 mm
- farokfúrószár lökés (hidraulikusan csúszó): 80 mm
- maximális hátsó farokcsapszeg befogóerő: 1250 daN
- üzemóra: kb. 13117 h
- hűtőfolyadéktartály térfogata: 140 l
- hűtőfolyadék-áramlás (1,9 bar nyomáson): 25 l/perc
- hűtőfolyadék-szivattyú teljesítménye: 0,37 kW
- csatlakozási teljesítmény: 22 kVA
- áramellátás: 400 V; 50 Hz
- zajszint: 77 db(A)
- a gép méretei a forgácsszállítóval (H x B x H): 3600 x 2140 x 1845 mm
- a gép súlya forgácsszállító nélkül: 5000 kg
A DMG GILDEMEISTER CNC eszterga felszereltsége
- CNC-vezérlés: SIEMENS SINUMERIK 840D POWERLINE
- forgácsszállító
- farokcsapágy
- orsóvég: A8
- orsó kúpos: Morse MK 6
- centráló fogazat: Morse MK 5
- munkaterület megvilágítása
- lábvezérlés
English
Čeština
Français
Español
Deutsch
polski
Русский
Slovenčina
Italiano
Türkçe



















