KAWASAKI BA006L hegesztőrobot 2018-ban gyártották. Az ívhegesztési folyamatban használt robot a nagy pozicionálási ismétlési pontosságának és stabilitásának köszönhetően képes garantálni a magas minőségű és precíz hegesztést. A robusztus felépítésű, 2036 mm-es kinyúlással rendelkező kar 6 tengelyes megmunkálást végez a legfeljebb 6 kg tömegű munkadarabokon.
A KAWASAKI Series BA gép speciális kialakítása az áthaladó csuklóval biztosítja a fáklya körül elhelyezett kábelek és tömlők egyszerű elrendezését és alacsony kopását. Az ipari robot mellé egy KAWASAKI E01 vezérlőből, egy FORNIUS TPS 400i hegesztőgépből és egy tisztítóállomásból álló felszerelést kínálnak. A KAWASAKI 3BA006L-AC01 csuklós robot életében rendszeres szervizelésen esett át. Az ívhegesztő robot összsúlya 160 kg.
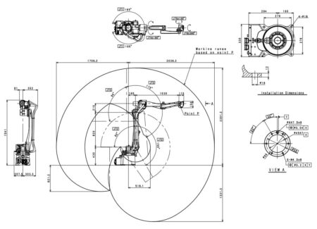
A KAWASAKI BA006L ipari robot műszaki adatai
- tengelyek száma: 6
- maximális karnyújtás: 2036 mm
- maximális teherbírás: 6 kg
- a gép tengelyeinek mozgástartománya
- a gép tengelyének mozgástartománya
- pozícionálás ismételhetősége: ±0,08 mm
- rögzítés: padló, mennyezet
- környezeti hőmérséklet: 0-45°
- vezérlő súlya: 40 kg
- gép súlya: 160 kg
JT1 tengely: ±165°
JT2 tengely: +150° / -90°
JT3 tengely: +90° / -175°
JT4 tengely: ±180°
JT5 tengely: ±135°
JT6 tengely: ±360°
JT1 tengely: 210°/s
JT2 tengely: 210°/s
JT3 tengely: 220°/s
JT4 tengely: 430°/s
JT5 tengely: 430°/s
JT6 tengely: 650°/s
Az ívhegesztő robot felszereltsége
- gépvezérlő: KAWASAKI E01
- hegesztőforrás: FORNIUS TPS 400i
- tisztítóállomás
English
Čeština
Français
Español
Deutsch
polski
Русский
Slovenčina
Italiano
Türkçe



