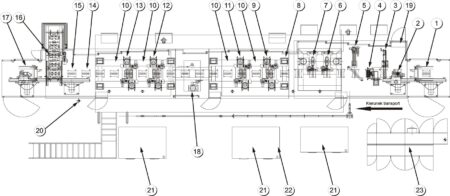
NAGEL 8 VS 8-60 + 2 VS 10-100 T honológép, amelyet 2002-ben gyártottak Németországban, egy speciális gép a forgattyús tengelyek és a motortest hengerek durva és végső megmunkálására. A motorházak megmunkáló sora 25 állomásból áll, amelyek között a munkadarabokat egy két hengerből és pozicionáló támaszokból és csapokból álló mozgó rúd mozgatja, amely a szállítás során tartja a munkadarabot.
A gép 2. és 3. állomása a forgattyús tengelyek és a hengerek ellenőrzéséért felelős. A megmunkálás előtt ellenőrzik a munkadarab tűréseit. Az ellenőrző állványok elhagyása után a 4. állomáson a motorházba vezető hűtőfolyadék-ellátó nyílást tisztítják. A munkadarab elforgatása után a 6. és 7. állomáson a forgattyús tengely előmunkálását, illetve a forgattyús tengely utómunkálatait végzik.
A 10. és 11. állomás az 1+3 és 2+4 hengerfuratok durva megmunkálását, míg a 18. és 20. állomás a hengerfuratok megmunkálását végzi. A 23. állomáson a megmunkálás befejezése után a hajótestet megjelölik. Az MV 15 INTEGRAL jelölőgép a munkadarabot a kezelői kóddal, a megmunkálás idejével és napjával, valamint a gép kódjával jelöli.
A gép 100 munkadarabot dolgoz fel óránként 100 %-os terhelés mellett. A gép SIEMENS SINUMERIK 840D CNC vezérléssel és SIEMENS SIMATIC S7-300 PLC vezérlővel van felszerelve. A motorház megmunkálósorának össztömege 45 t.
A NAGEL 8 VS 8-60 + 2 VS 10-100 T honológép műszaki adatai
- PLC vezérlő: SIEMENS SIMATIC S7-300
- CNC vezérlés: SIEMENS SINUMERIK 840D
- simítóorsó vezérlés: NAGEL MS-U3
- jelölőgép: MV 15 INTEGRAL
- a gép kapacitása: 100 megmunkált darab/óra (100%-os terhelésnél)
- megmunkálási átmérő (VS 8/VS 10): 69,6 mm/ 54,7 mm
- előkezelési megmunkálási átmérő: 69,54 ± 0,015 mm / 54,65 ± 0,025 mm
- megmunkálási hossz: 150 mm/ 5×20 mm
- simítási idő: 28 sec. / 22 sec.
- utómegmunkálási idő: 8 sec. / 14 sec.
- órajelezési idő: 36 sec.
- simító orsók száma: 8 / 2
- orsófordulatszám: 130 – 465 fordulat/perc
- üzemi feszültség: 380 V; 50 Hz
- energiafogyasztás: 178 kW
- gépmagasság: 5100 mm
- össztömeg: 45 t
English
Čeština
Français
Español
Deutsch
polski
Русский
Slovenčina
Italiano
Türkçe































