Zrobotyzowane stanowisko spawalnicze KAWASAKI BA006L zbudowane zostało w 2019 roku w Chinach przez Kawasaki Robotics. System ten przeznaczony jest do w pełni automatycznego spawania łukowego metodą MIG/MAG. Proces obróbczy realizowany jest przez 6-osiowy robot KAWASAKI, wyróżniający się m.in. przemyślaną konstrukcją oraz wytrzymałym ramieniem o zwiększonym zakresie ruchu. Jego kompaktowa, lekko wygięta konstrukcja umożliwia wydajną pracę na niewielkiej ilości przestrzeni, bez ryzyka kolizji z detalem lub urządzeniami peryferyjnymi. Każda z sześciu osi napędzana jest przez wydajne serwomotory, co pozwala osiągnąć doskonałą dynamikę ruchów połączoną z wysoką niezawodnością procesu. Wszystkie parametry obróbcze programowane są z kolei w nowoczesnym kontrolerze, który oferuje intuicyjną obsługę oraz dostęp do zaawansowanych funkcji. KAWASAKI BA006L współpracuje z dwoma jednoosiowymi obrotnikami spawalniczymi przeznaczonymi do obrotu detalu w trakcie spawania.
Zrobotyzowana stacja spawalnicza składa się z następujących komponentów:
– ramię robota: KAWASAKI 3BA006L-AC01
– kontroler: KAWASAKI 30E01G-AC01
– spawarka: FRONIUS TPS 400i
– pozycjoner spawalniczy: ASTOR PST250-H1 (2 szt.)
– stacja czyszcząca palnik: TBi BRG-2
– kurtyny świetlne
– przenośna jednostka sterująca (pendant)
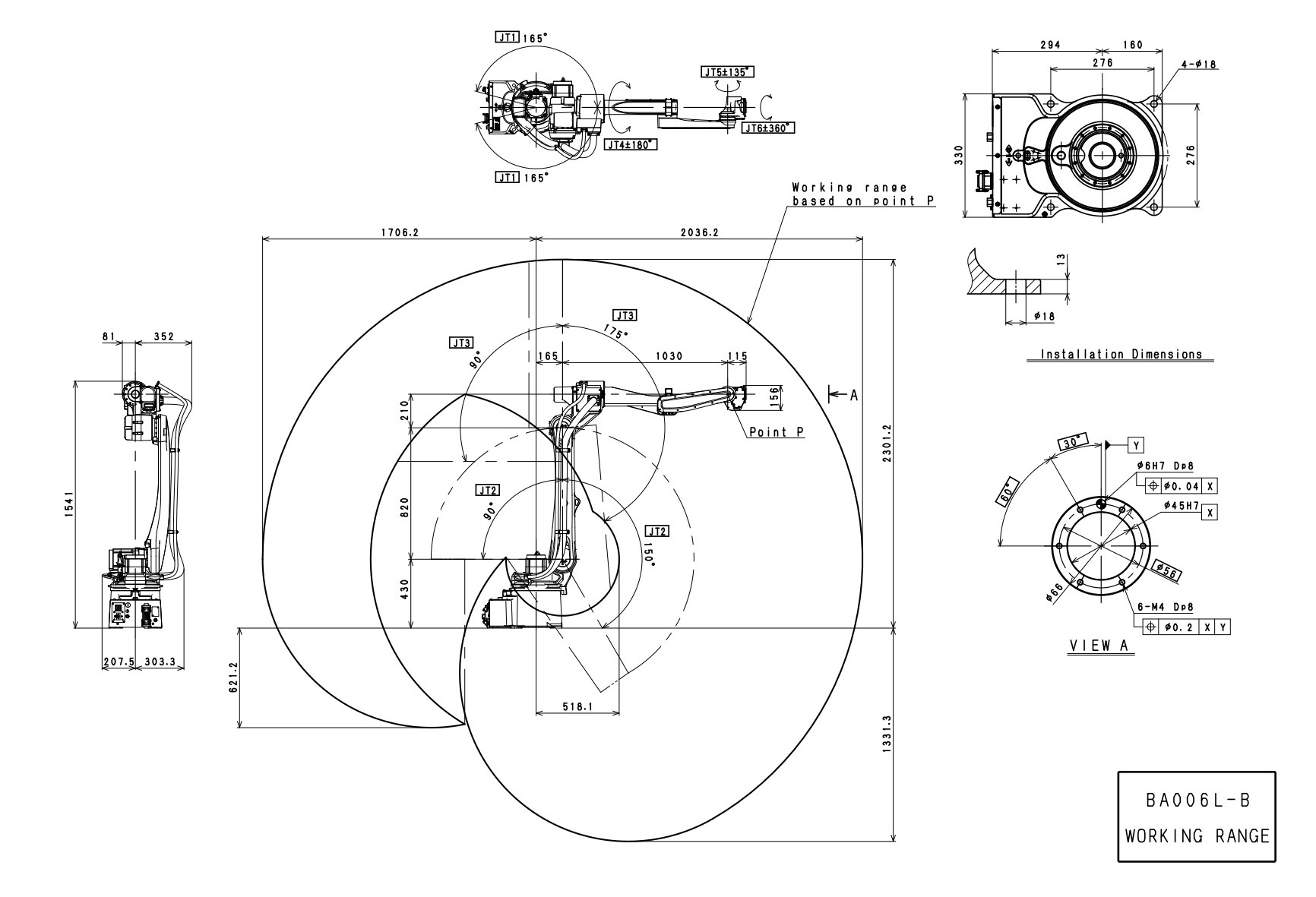
Dane techniczne poszczególnych części zrobotyzowanego stanowiska spawalniczego KAWASAKI BA006L
Robot spawalniczy
- liczba osi: 6
- maksymalny udźwig: 6 kg
- maksymalny zasięg ramienia: 2036 mm
- zakres ruchów osi robota
- prędkość ruchów osi robota
- powtarzalność pozycjonowania: ± 0,08 mm
- montaż: podłoga, sufit
- temperatura otoczenia: 0-45°C
- wilgotność względna: 35-85%
- waga maszyny KAWASAKI BA006L-A: 160 kg
- waga kontrolera: 40 kg
– oś JT1: ± 165°
– oś JT2: + 150° / -90°
– oś JT3: + 90° / -175°
– oś JT4: ± 180°
– oś JT5: ± 135°
– oś JT6: ± 360°
– oś JT1: 210°/s
– oś JT2: 210°/s
– oś JT3: 220°/s
– oś JT4: 430°/s
– oś JT5: 430°/s
– oś JT6: 650°/s
Spawarka MIG/MAG
- maksymalny prąd spawania: 400 A
- prąd spawania / cykl pracy [10 min /40°C]: 400 A/ 40%
- prąd spawania / cykl pracy [10 min /40°C]: 360 A/ 60%
- prąd spawania / cykl pracy [10 min /40°C]: 320 A/ 100%
- napięcie wyjściowe MIG/MAG: 14,2-34,0 V
- częstotliwość sieci: 50-60 Hz
- napięcie sieci: 3x 400 V
- waga urządzenia: 36,5 kg
Obrotnik spawalniczy
- maksymalny udźwig: 250 kg
- liczba osi: 1
- maksymalna prędkość obrotu osi: 180°/s
- waga urządzenia: 150 kg
English
Čeština
Français
Español
Deutsch
Русский
Slovenčina
Magyar
Italiano
Türkçe



















